1
/
の
5
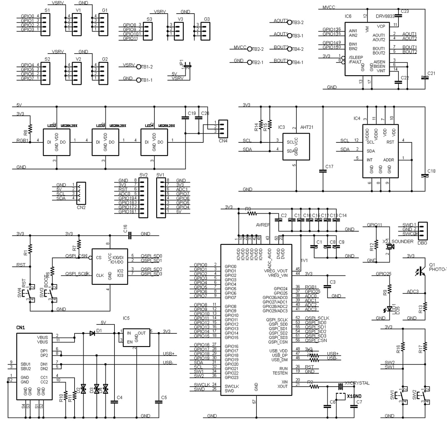
RP2040-ROBO (RP2040, Dual ARM Cortex-M0+ 8MB Flash) +センサー/RCサーボ/DCモーター コントローラ USB Type-C コネクタ
RP2040-ROBO (RP2040, Dual ARM Cortex-M0+ 8MB Flash) +センサー/RCサーボ/DCモーター コントローラ USB Type-C コネクタ
通常価格
¥2,970 JPY
通常価格
¥3,300 JPY
セール価格
¥2,970 JPY
税込。
配送料はチェックアウト時に計算されます。
- 製品紹介: www.microfan.jp/2023/10/rp2040-robo
- ロボット作成に利用できる10個のRCサーボー/2個のDCモーター(DRV8833)の制御機能を持ちます。
- ロボットの姿勢を取得できる加速度センサーを搭載しています。
- 温度、湿度、明るさなどのセンサーや、タクトスイッチ2個、圧電スピーカー、WS2812B相当のカラーLED3個を搭載しています。
- OLEDディスプレイ(別売)を接続するコネクタを装備しており、グラフィックスや文字の表示を行うことができます。
- MicroPythonやArduinoでプログラミングを行うことができます。CircuitPythonはRaspberry Pi PICO用のファームウェアを利用できます。
- RP2040-ROBOの構成に最適化されたMicroPythonファームウェアを利用できます。
- MicroPythonプログラミング情報: www.microfan.jp/2023/09/rp2040-robo-micropython
数量
受取状況を読み込めませんでした
20個の在庫
詳細を表示する



