1
/
の
5
RP2040-LEDART (8M Flash) LED RGB パネル HUB75コントローラ USBインターフェース付き
RP2040-LEDART (8M Flash) LED RGB パネル HUB75コントローラ USBインターフェース付き
通常価格
¥2,750 JPY
通常価格
¥2,750 JPY
セール価格
¥2,750 JPY
税込。
配送料はチェックアウト時に計算されます。
- 製品紹介: www.microfan.jp/2025/01/rp2040-ledart/
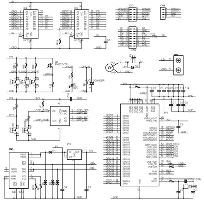
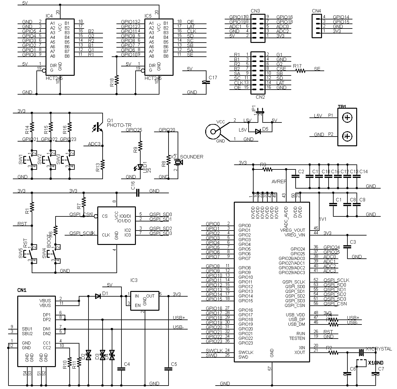
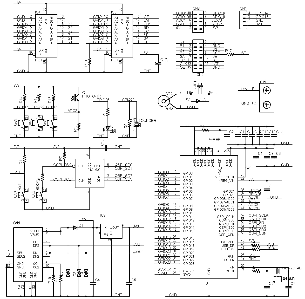
- Raspberry Pi PICO と同じRP2040 を使用したLED パネルコントローラです。HUB75用コネクタと電源用ターミナルブロックをはんだ付けする必要があります。コントローラ基板の裏側にHUB75の雌コネクタを取り付けてLEDパネルのHUB75コネクタに直接接続するか、表側に雄コネクタを取り付けてケーブルを接続します。
- HUB75(E)インターフェースを使用したLEDパネルを制御することができます。HUB75(E)インターフェース用に3.3V->5Vの変換回路を備えており、LEDパネルを安定して制御できます。
- USBインターフェースを装備しており、CircuitPythonでrgbmatrixライブラリを使用してLEDパネル表示をプログラミングできます。
- タクトスイッチを装備しており、表示内容の選択操作などに利用できます。圧電スピーカーを装備しており音を出すことができます。
- 温度、湿度、加速度を取得するセンサー(別売り:SENSOR-V3BITS)を搭載し、そのデータをLEDパネルの表示や操作に利用できます。
数量
受取状況を読み込めませんでした
20個の在庫
詳細を表示する



